Přidat otázku mezi oblíbenéZasílat nové odpovědi e-mailem LED osvětlení terária R.ciliatus

Ahoj všem,
rád bych poprosil o vaše rady a názory ohledně osvětlení do terárka, tak jak jsem napsal, LED páskama.

1.
Teplota světla. Kdo z vás používáte ledky, co tam máte? Někde jsem se tu dočetl, že nejlépe vypadá v terárku "teplá bílá" (přes 3.000K), čemuž bych se i přiklonil, ale nedokážu si to představit se všemi těmi květinami, pařezy atd.
Někdo zase psal, že používá něco kolem 6.500K což už se mi moc nezdá, podle mě moc ostré světlo ( a taky jim nehodlám dělat simulátor osvětlení cely předběžného zadržení :-D )

2.
Odolnost proti vlhku?
Koukal jsem po "vlhkuodolných".Bylo tam ale napsáno, že nejsou vhodné pro delší svícení.Netuším co znamená delší svícení...6 hodin, 8 hodin nebo více?
Nejdříve mě napadlo, že bych svítil těch, cca dvanáct hodin, normálně.Třeba od 6.00 do18.00. ...poté by se stmavili na pár hodin a třeba od půlnoci do rána tma, ale díky té "nevhodnosti" delšího svícení jsem si začal pohrávat s myšlenkou, že bych tam přidal druhou led pásku, která by simulovala měsíční svit.Prostě ať je to terárko pěkné přes den i v noci a fešáci u toho prospívají.
Počítám s rozměry terária kolem 60/60/70-100 - š/d/v s tím, že ledku bych dal po obvodu stropu terárka, nebo jen na jednu stranu, třeba dvě řady atd...netuším, nemám s tím absolutně žádné zkušenosti.
Co vy na to?
Snad s tím nemám co zkazit.Pokud se pletu tak mě prosím opravte.

Edit: ted jsem ještě koukal po netu a našel jsem voděodolnou-ale opět čas svícení ( kvůli silikonovému krytí není vhodné, aby LED pásek byl vystaven přímému slunečnímu svitu a rovněž svítil déle jak 6 hodin v kuse, jinak dojde k rapidnímu zkrácení životnosti ) Co znamená rapidní :-D ? Jakože mi po roce klekne....nebo po dvou ???

Díky za váš čas.

Předmět Autor Datum
Vseobecne zasady ohledne LED pasku - lepit je do hlinikovych U list ktere pak funguji i jako chladic…
lucifer 14.02.2019 21:10
lucifer
Dík za návrh, líbí se mi to :) Teda aspoň ten první odstavec....pak už netuším o čem je řeč :-) "ne…
Rhaco1 15.02.2019 16:21
Rhaco1
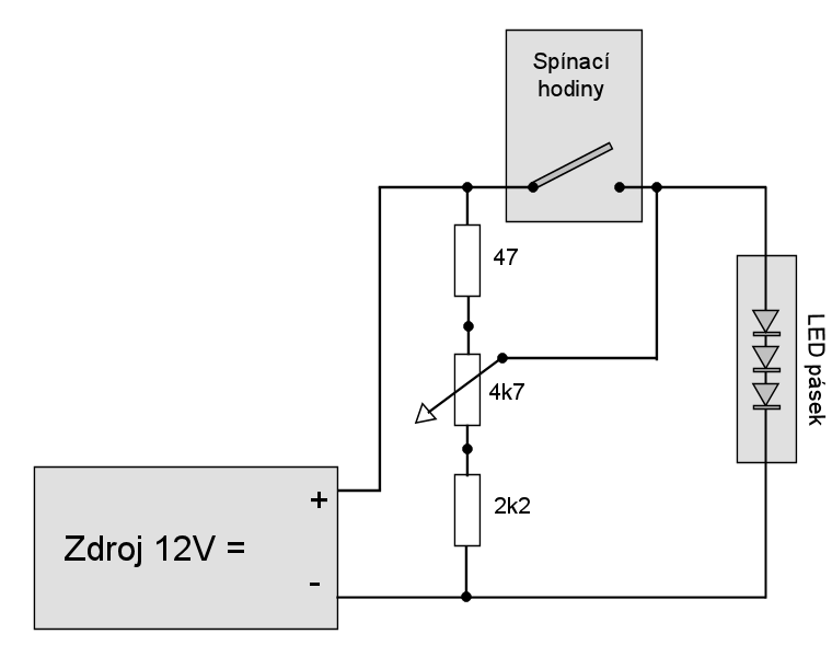
Nejak takhle, hodnoty odporu si cucam z prstu, ale cca. by to mohlo odpovidat: [84978-led-tera-png] nový
lucifer 15.02.2019 19:57
lucifer
A ještě jedna věc...kolik toho pásku tam dát?Myslím tím, že tam bude stačit třeba těch 50 cm v liště…
Rhaco1 15.02.2019 16:55
Rhaco1
odhad kolem tech 7 az 10W pokud vemete neco z tech vykonnejsich, to bude dle mne stacit. To nocni pr… nový
lucifer 15.02.2019 18:31
lucifer
Hele, opravdu díky za snahu, vážně, ale tohle je pro mě španělská vesnice.Nemustíte mi dělat schéma,… poslední
Rhaco1 15.02.2019 21:00
Rhaco1

Vseobecne zasady ohledne LED pasku - lepit je do hlinikovych U list ktere pak funguji i jako chladic = nemusite se trapit delkou sviceni/zkracovani zivotnosti, a pokud uz shanite listy na pasky, nejlip original na to urcene a k nim rovnou i difuzor - plastovy "kryt". Viz treba tady - prvni co mi vyplivl Google: https://eshop.ledsolution.cz/hlinikove-profily-pro-led-pasky/

- pokud to bude v U liste a s difuzorem, je celkem fuk jestli je uvnitr pasek zality nebo obycejny. Jen zajistit konce - koupit i zaslepky at nevleze nic dovnitr. :-) Nocni prisvit - nemusite tam davat dalsi pasek, osobne to resim tak ze rozeberu spinacky a ven si vytahnu jen samotny spinany kontakt. Tim prerusim privod 12V k pasku - a tece do nej jen zlomek proudu pres odporovy trimr (kolem 5-10 kiloohmu) kterym nastavim pozadovanou intenzitu. Mam to tak uz roky u vsech terarii s gekony.

Dík za návrh, líbí se mi to :)

Teda aspoň ten první odstavec....pak už netuším o čem je řeč :-) "nemusite tam davat dalsi pasek, osobne to resim tak ze rozeberu spinacky a ven si vytahnu jen samotny spinany kontakt. Tim prerusim privod 12V k pasku - a tece do nej jen zlomek proudu pres odporovy trimr (kolem 5-10 kiloohmu) kterym nastavim pozadovanou intenzit"

Zpět do poradny Odpovědět na původní otázku Nahoru